- Home
- Vegla dhe Mjete Pune
- Bulona
- Bagllamë BLUM 95° me ndales
Description
Characteristics
No Reviews
Description
KODI : 342.84.500
Bagllamë BLUM
Fusha e aplikimit : për aplikime në tunel
Ndalues dere : Aplikim Stollen
Lloji i harkimit : Aplikim Stollen
për materialin e derës : Dru
Përpunimi i derës : me vrimë kupe
materiali : Çelik
Këndi i hapjes : 95°
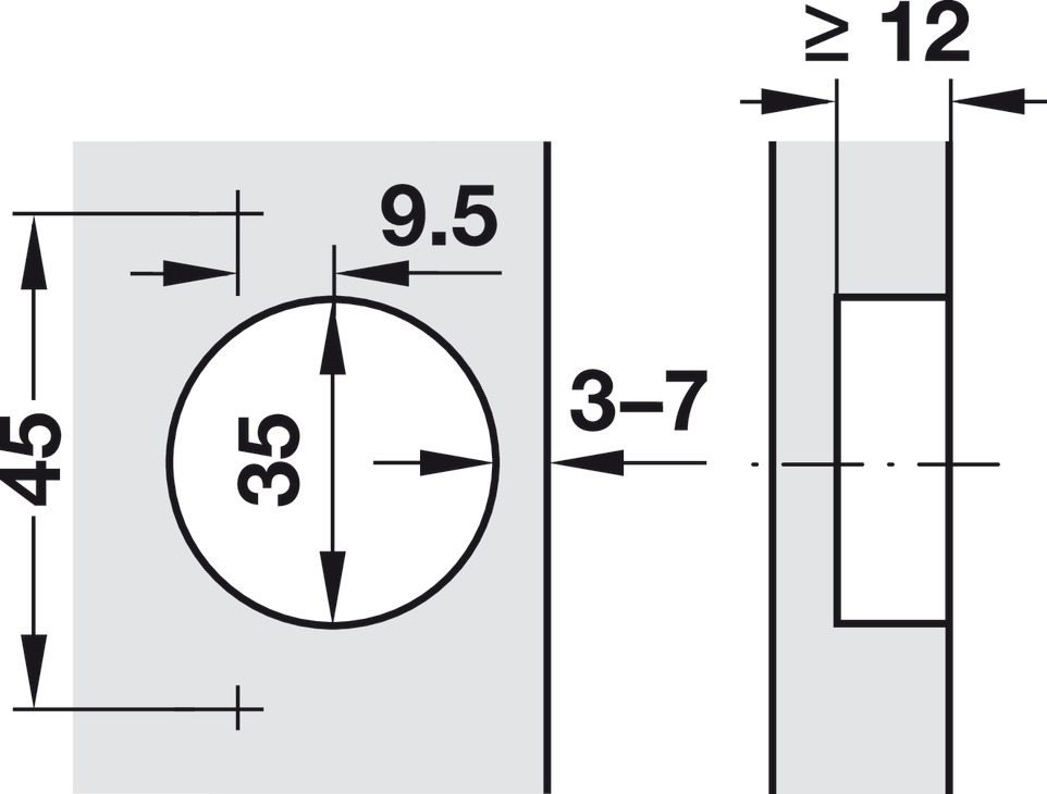
Thellësia e shpimit të tenxheres : 13 mm
Diametri i shpimit të tenxheres : 35 mm
Modeli i shpimit : 45/9.5
Opsioni i vendosjes : Rregullim anësor ±2.5 mm, rregullim lartësie ±3 mm, rregullim thellësie ±1 mm, rregullim lartësie në varësi të pllakës së montimit
Montimi : Dera fiksohet në trup pa mjete duke përdorur teknologjinë e klipsit
Udhëzime montimi : Për të montuar sipërfaqen e brendshme të derës në nivel me sipërfaqen e brendshme të kornizës, përdorni vetëm pllaka montimi me një hapësirë prej 3 mm. Pozicioni standard i vidës së pllakës së montimit është 21.5 mm nga buza e kornizës.

























