You are here:
- Home
- Orendi shtëpiake (Mobilie)
- Mbajtës rafti
- Për dru (Mbajtës rafti)
- Mbajtës rafti (polica) i maskum
Description
Characteristics
No Reviews
Description
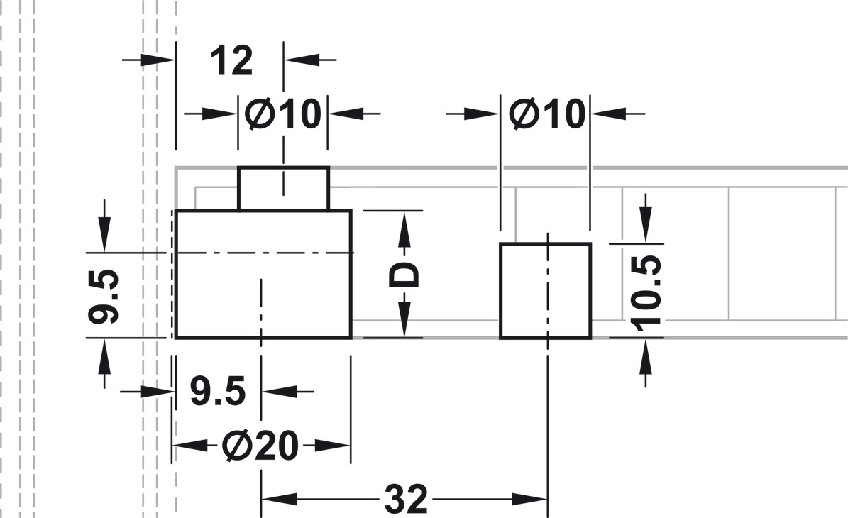
KODI : 263.16.705
Mbajtëse raftash i fshehur me bulon (Për Rafte Të drurit Dhe Të Xhamit)
Ngjyra : Bardhë
Trashësia e raftit : ≥19 mm
Thellësia : 14.2 mm +0.2 mm
Materiali : Plastik
Characteristics
No Reviews
Be the first to review “Mbajtës rafti (polica) i maskum” Cancel reply


























Reviews
There are no reviews yet.