- Home
- Aksesor Orendish
- Bagllama të orendive
- Bagllama për PHL
Description
Characteristics
No Reviews
Description
KODI : 344.75.730
Bagllamë
Fusha e aplikimit : për dyer të holla, për materiale metalike/druri dhe panele laminate me presion të lartë (HPL)
ekzekutim : me mekanizëm kyçjeje, dizajn të sheshtë, bosht çeliku të ngurtësuar dhe të siguruar në kushineta plastike pa mirëmbajtje
Ndalues dere : Ndalues këndi/qendror
për materialin e derës : Dru, laminat me presion të lartë (HPL), material metalik
Çelik inox, shkalla 1.4404 (V4A)
Këndi i hapjes : 240° – 270°
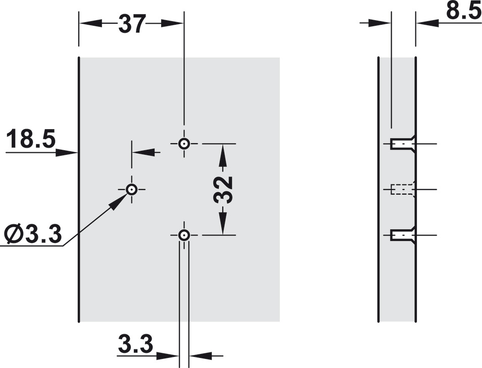
për trashësinë e derës : 10 – 13 mm
trashësia anësore e murit : 13 – 19 mm
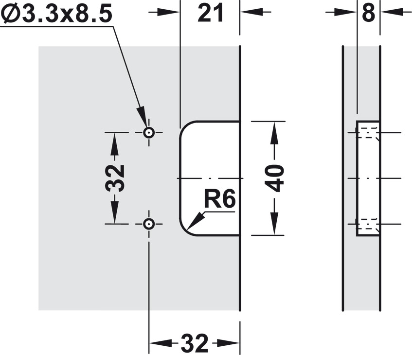
Thellësia e shpimit të enës : 21 mm
Diametri i shpimit të enës : 40 mm
Kërcim dere : 0 mm nga një kënd hapjeje 140°
Diametri i rulit : 5 mm
Gjatësia e rulit : 47 mm
nyjë : 6 mm
Lëvizja e derës : 7 mm
Mundësia e vendosjes :
Rregullim anësor -2/+1 mm, rregullim lartësie ±2 mm, rregullim thellësie ±1 mm, rregullim lartësie në seksionin e tenxheres, rregullim thellësie nëpërmjet vrimave të zgjatura në seksionin anësor
Montimi : për vidhosje

























