You are here:
- Home
- Aksesor Orendish
- Bagllama të orendive
- Aksesorë shtesë (Bagllama të orendive)
- BLUM Bagllamë e kthyme e plotë
Description
Characteristics
No Reviews
Description
KODI : 342.42.602
Bagllamë BLUM
Fusha e aplikimit : për aplikime standarde
variant : me mekanizëm mbylljeje automatike, me amortizim mbylljeje (mund të çaktivizohet)
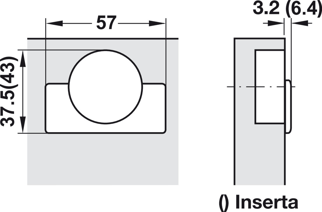
Ndalues dere : Insert
Lloji i lakimi : shumë i përkulur
për materialin e derës : Dru
Përpunimi i derës : me vrimë gote
materiali : Çelik
Këndi i hapjes : 110°
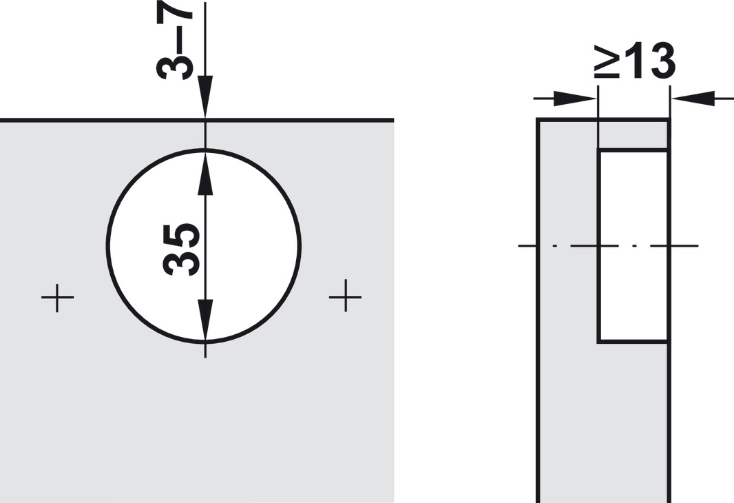
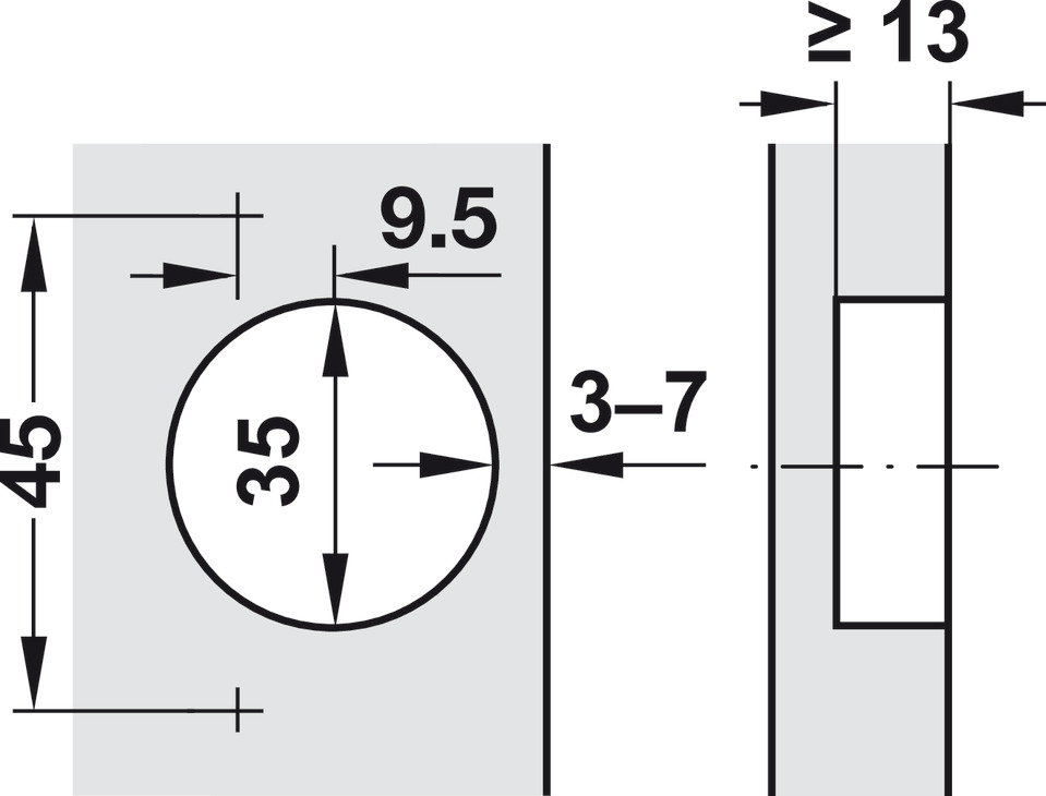
Thellësia e shpimit të tenxheres : 13 mm
Diametri i shpimit të tenxheres : 35 mm
Modeli i shpimit : 45/9.5
Opsioni i vendosjes : Rregullim anësor ±2 mm, rregullim lartësie ±3 mm, rregullim thellësie -2/+3 mm, rregullim lartësie në varësi të pllakës së montimit
Montimi : Dera fiksohet në trup pa mjete duke përdorur teknologjinë e kapëses


























