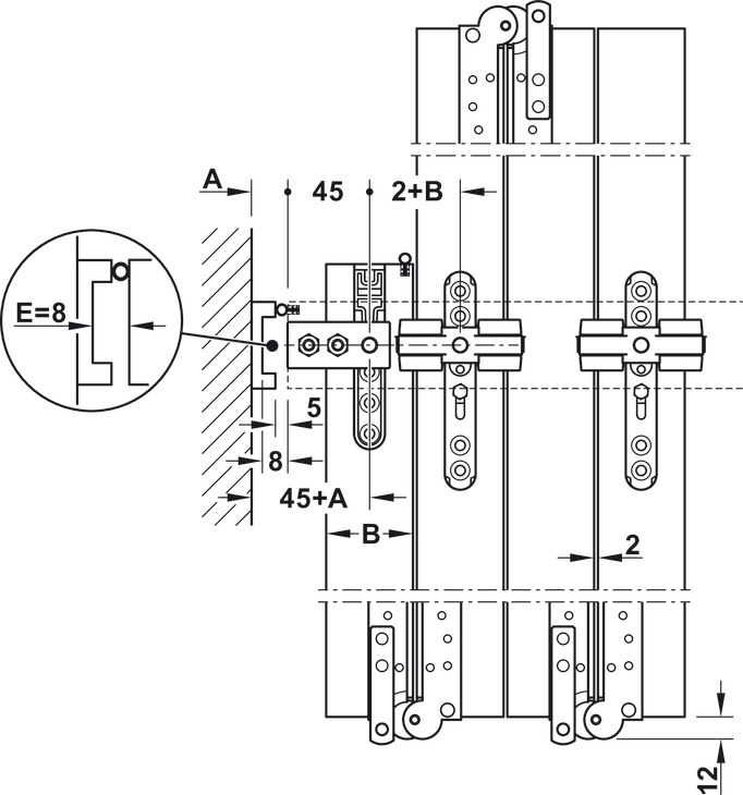
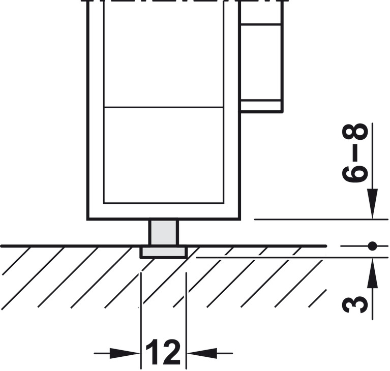
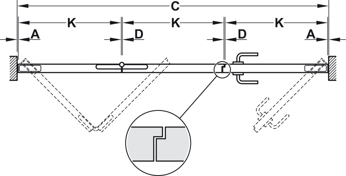
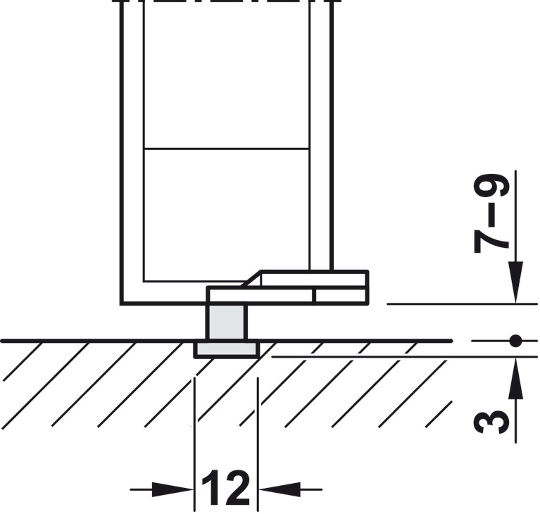
You are here:
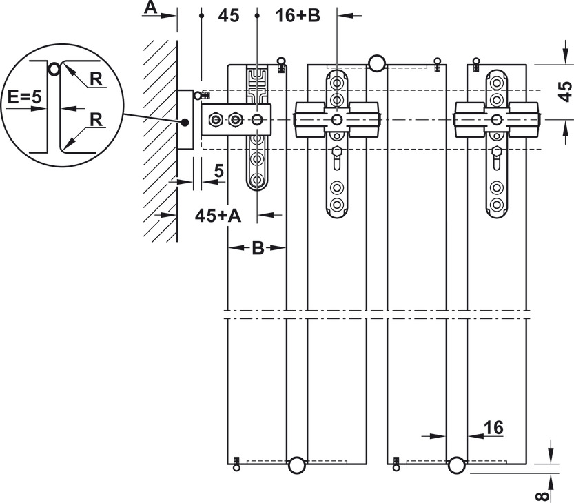
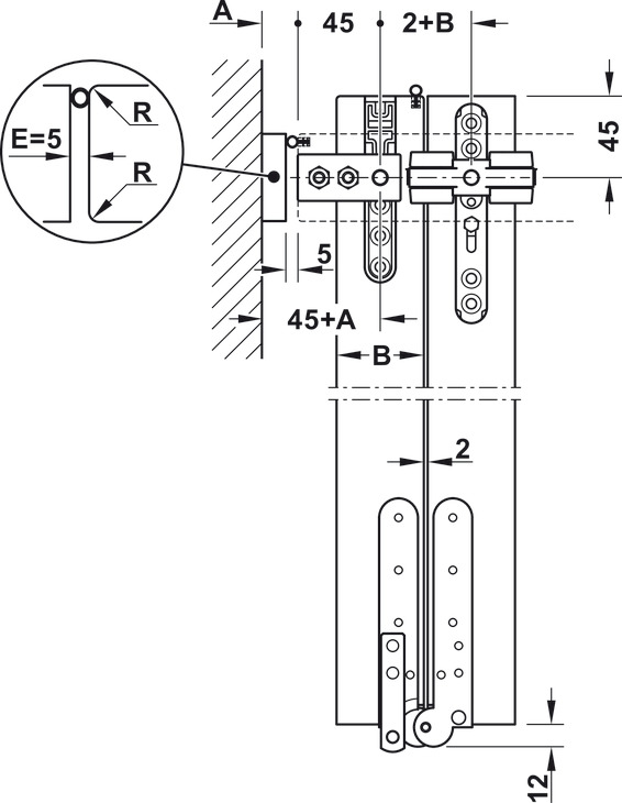
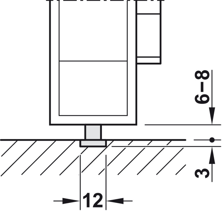
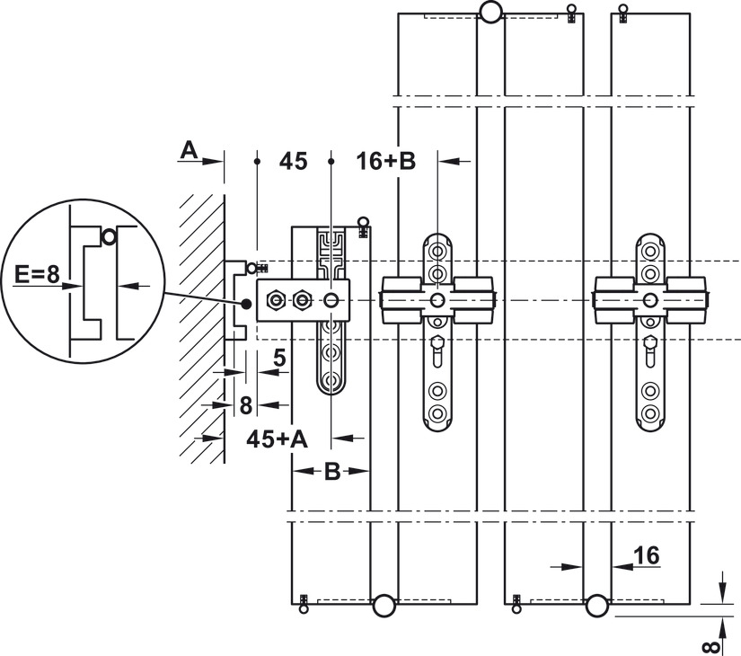
Product code: 940.42.511

Mekanizëm për derë palosëshe shtesë

L