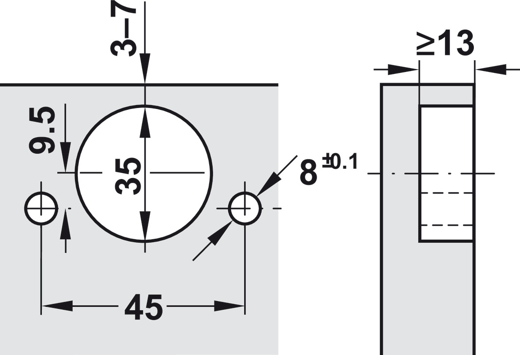
Add to cart Bagllamë 3D e fshehtë rregullueshëm: LARTËSIA +1.5 mm, ANASH +1 mm , hapja 180° PRESIONI I MBYLLJES + 1 mm , TRASHËSIA E DERËS ≥35 mm (52 kg për 3 copë) (40 kg për 2 copë)